×ÉѯÈÈÏߣº13949954626 | QQ¿Í·þ×Éѯ
YBX3¸ßЧÂÊ·À±¬µç»ú¸ÅÊö
YBX3ϵÁиßЧÂʸô±¬ÐÍÈýÏàÒì²½µç¶¯»ú£¬ÊÇÔÚYB3·À±¬µç»úµÄ»ù´¡ÉϽøÐÐÁ˸ßЧ½ÚÄܼ¼Êõ¸Ä½ø£¬ÔÚʹÓÃÉÏÄܹ»Íêȫȡ´úYB3·À±¬µç»úµÄÊÊÓÃÐÔ¡£Ð§ÂÊ·ûºÏGB18613-2012¡¶ÖÐСÐÍÈýÏàÒì²½µç¶¯»úÄÜЧÏÞ¶¨Öµ¼°ÄÜЧµÈ¼¶¡·ÖеÄ2 ¼¶ÄÜЧ£¬ÇÒ¾ßÓÐÐÔÄÜÓÅÁ¼£¬Ê¹Óð²È«¿É¿¿£¬Õñ¶¯¡¢ÔëÉù±ÈͬÀà²úÆ·½µµÄÌØµã£¬·ûºÏ»·±£ÒªÇó¡£ YBX3ϵÁиßЧÂʸô±¬ÐÍÈýÏàÒì²½µç¶¯»úµç¶¯»ú·À±¬ÐÔÄÜ·ûºÏGB3836.1-2010 ¡¶±¬Õ¨ÐÔ»·¾³ µÚ1²¿·Ö£ºÉ豸 ͨÓÃÒªÇó¡·ºÍGB3836.2-2010 ¡¶±¬Õ¨ÐÔ»·¾³ µÚ2²¿·Ö£ºÓɸô±¬Íâ¿Ç¡°d¡±±£»¤µÄÉ豸¡·µÄ¹æ¶¨£¬ÖƳɸô±¬ÐÍ¡£·À±¬±ê־ΪEx d ¢òA T4 Gb¡¢Ex d ¢òB T4 Gb£¬Ex d ¢òC T4 Gb£¬ÊÊÓÃÓÚÓб¬Õ¨ÐÔÆøÌå»ìºÏÎï´æÔڵij¡Ëù¡£ Ex d ¢òA T4 Gb ÊÊÓÃÓÚ¹¤³§ÓÃIIAÀ࣬ζÈ×é±ðΪT1¡¢T2¡¢T3 ºÍT4 ×鱬ըÐÔÆøÌå»ìºÏÎï´æÔڵĻ·¾³¡£Ex d ¢òB T4 Gb ÊÊÓÃÓÚ¹¤³§ÓÃIIBÀ࣬ζÈ×é±ðΪT1¡¢T2¡¢T3 ºÍT4 ×鱬ըÐÔÆøÌå»ìºÏÎï´æÔڵĻ·¾³.Ex d ¢òC T4 Gb ÊÊÓÃÓÚ¹¤³§ÓÃIICÀ࣬ζÈ×é±ðΪT1¡¢T2¡¢T3 ºÍT4 ×鱬ըÐÔÆøÌå»ìºÏÎï´æÔڵĻ·¾³¡£
YBX3·À±¬µç»úʹÓû·¾³Ìõ¼þ
YBX3·À±¬µç»úÔÚYBX3»ù±¾ÏµÁе綯»ú»ù´¡ÉÏ£¬Ò²¿ÉÖÆ³ÉYBX3-W »§ÍâÐÍ¡¢YBX3-TH ʪÈÈ´øÐÍ¡¢YBX3-THW»§ÍâʪÈÈ´øÐÍ¡¢YBX3-TA ¸ÉÈÈ´øÐÍ¡¢YBX3-TAW »§Íâ¸ÉÈÈ´øÐÍ¡¢YBX3-T ÈÈ´øÐÍ¡¢YBX3-TW »§ÍâÈÈ´øÐͼ°YBX3-WF1 »§ÍâÖеȷÀ¸¯Ê´ÐÍµÈÆøºò»·¾³Ìõ¼þ¡£
YBX3·À±¬µç»ú¼¼Êõ²ÎÊý
¶î¶¨µçѹ£º380¡¢660¡¢1140¡¢380/660¡¢600/1140V¡£
¶î¶¨ÆµÂÊ£º50Hz
¹¦ÂÊ·¶Î§£º0.12-375kw
¾øÔµµÈ¼¶£ºF
·À»¤µÈ¼¶£ºIP55
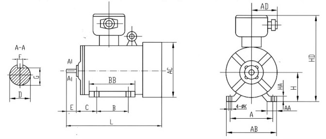
YBX3ϵÁиßЧÂʸô±¬ÐÍÈýÏàÒì²½µç¶¯»úB3°²×°³ß´ç¼°ÍâÐγߴç


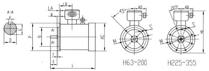
YBX3ϵÁиßЧÂʸô±¬ÐÍÈýÏàÒì²½µç¶¯»úB5°²×°³ß´ç¼°ÍâÐγߴç

