×ÉѯÈÈÏߣº13949954626 | QQ¿Í·þ×Éѯ
YB3·À±¬µç»ú½éÉÜ£º
YB3ϵÁиô±¬ÐÍÈýÏàÒì²½µç¶¯»úÊÇÄÏÑó·À±¬µç»úÓÐÏÞ¹«Ë¾Ôڲο¼ÐÐҵͳһÉè¼Æ»ù´¡ÉÏÑÐÖÆ¿ª·¢µÄÈ«·â±Õ¡¢×ÔÉÈÀä¡¢ÊóÁýʽ¡¢¸ô±¬ÐÍÈýÏàÒì²½µç¶¯»úµÄ»ù±¾ÏµÁС£Ð§ÂÊÖ´ÐÐЧÂÊÖ´ÐÐGB18613-2006¡¶ÖÐСÐÍÈýÏàÒì²½µç¶¯»úÄÜЧÏÞ¶¨Öµ¼°½ÚÄÜÆÀ¼ÛÖµ¡·ÖеĽÚÄÜÆÀ¼ÛÖµ±ê×¼,ЧÂÊ´ïµ½¹ú¼Ò2¼¶ÄÜЧ£¬Å·ÖÞ±ê×¼µÄEFF1µÈ¼¶£¬ÇÒ¾ßÓÐÐÔÄÜÓÅÁ¼£¬Ê¹Óð²È«¿É¿¿£¬Õñ¶¯¡¢ÔëÉù±ÈͬÀà²úƷСµÄÌØµã£¬·ûºÏ»·±£ÒªÇó¡£YB3ϵÁиô±¬ÐÍÈýÏàÒì²½µç¶¯»úµç¶¯»ú·À±¬ÐÔÄÜ·ûºÏGB3836.1-2010¡¶±¬Õ¨ÐÔ»·¾³µÚ1²¿·Ö£ºÉ豸ͨÓÃÒªÇó¡·ºÍGB3836.2-2010 ¡¶±¬Õ¨ÐÔ»·¾³µÚ2²¿·Ö£ºÓɸô±¬Íâ¿Ç¡°d¡±±£»¤µÄÉ豸¡·µÄ¹æ¶¨£¬Ò²¸½ºÏIEC79-1£¬BS4683 ºÍEN50018 µÄ¹æ¶¨£¬ÖƳɸô±¬ÐÍ¡£·À±¬±ê־ΪEx d ¢ñMb¡¢Ex d ¢òAT4 Gb¡¢Ex d ¢òB T4 Gb£¬ÊÊÓÃÓÚÓб¬Õ¨ÐÔÆøÌå»ìºÏÎï´æÔڵij¡Ëù¡£
YB3·À±¬µç»úʹÓû·¾³£º
Ex d I Mb ÊÊÓÃÓÚ¾ßÓÐÍßË¹ÆøÌå»·¾³£¨²É¾ò¹¤×÷Ãæ³ýÍ⣩¡£
Ex d IIA T4 Gb ÊÊÓÃÓÚ¹¤³§ÓÃIIAÀ࣬ζÈ×é±ðΪT1¡¢T2¡¢T3 ºÍT4 ×鱬ըÐÔÆøÌå»ìºÏÎï´æÔڵĻ·¾³¡£ Ex d IIB T4 Gb ÊÊÓÃÓÚ¹¤³§ÓÃIIBÀ࣬ζÈ×é±ðΪT1¡¢T2¡¢T3 ºÍT4 ×éµÄ±¬Õ¨ÐÔÆøÌå»ìºÏÎï´æÔڵĻ·¾³¡£
YB3 »ù±¾ÏµÁе綯»ú»ù´¡ÉÏ£¬Ò²¿ÉÖÆ³ÉYB3-W »§ÍâÐÍ¡¢YB3-TH ʪÈÈ´øÐÍ¡¢YB3-THW»§ÍâʪÈÈ´øÐÍ¡¢YB3-TA ¸ÉÈÈ´øÐÍ¡¢YB3-TAW »§Íâ¸ÉÈÈ´øÐÍ¡¢YB3-WF1 »§ÍâÖеȷÀ¸¯Ê´Ð͵ÈÊÊÓÃÓÚ²»Í¬»·¾³Ìõ¼þµÄµç¶¯»ú¡£
YB3·À±¬µç»ú¼¼Êõ²ÎÊý£º
¶î¶¨µçѹ: 380V¡¢660¡¢1140¡¢380/660¡¢660/1140V
¶î¶¨ÆµÂÊ£º50Hz
¹¦ÂÊ·¶Î§£º0.12-315KW
¾øÔµµÈ¼¶£ºF¡¢H
·À»¤µÈ¼¶£ºIP55
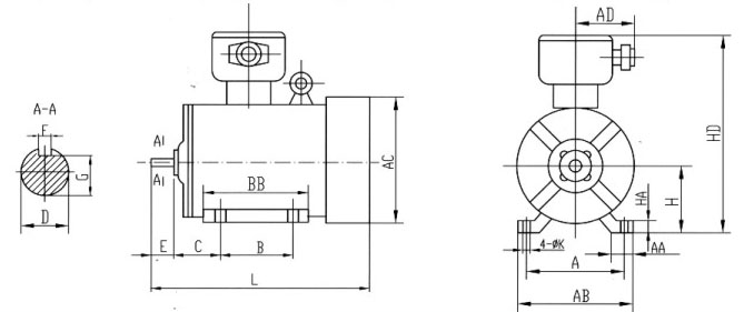
YB3·À±¬µç»úB3°²×°³ß´ç¼°ÍâÐγߴç


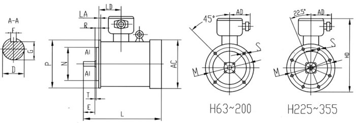
YB3·À±¬µç»úB5°²×°³ß´ç¼°ÍâÐγߴç

