咨询热线:13949954626 | QQ客服咨询

产品中心当前位置:首页 > 产品中心 > YBX3高压防爆电动机
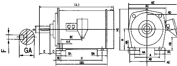
YB560-800高压防爆系列
名称:YB560-800高压防爆系列
手机询价:
如果您对此产品有兴趣请将您的手机号码输入上方方框,我们的客服在第一时间内与您联系,为您详细介绍产品信息,不会对您的手机产生任何费用。 出品单位:南洋防爆电机有限公司 在线QQ咨询:点击这里给我发消息2459639887 咨询电话:0394-8211900 13949954626 下载产品资料 立即订购
 产品详细介绍

YB560-800高压防爆系列安装及外形尺寸

产品分类 热门文章
在线客服