YBF2/112-355型风机专用隔爆型三相异步电动机
名称:YBF2/112-355型风机专用隔爆型三相异步电动机
如果您对此产品有兴趣请将您的手机号码输入上方方框,我们的客服在第一时间内与您联系,为您详细介绍产品信息,不会对您的手机产生任何费用。
出品单位:南洋防爆电机有限公司
在线QQ咨询:
2459639887
咨询电话:0394-8211900 13949954626
下载产品资料 立即订购
产品详细介绍
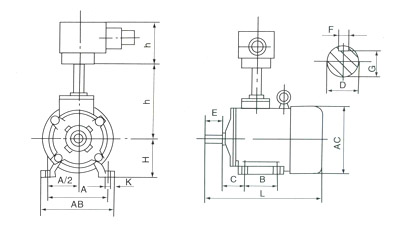
基本参数
电动机主体外壳防护等级为IP44或IP54,接线盒为IP54。
冷却方式:IC411
频 率:50Hz
安装形式:IMB3
额定电压:380V、660V、380/660V
工作方式:连续(S1)

