咨询热线:13949954626 | QQ客服咨询
概 述
YB、YB2系列电动机是全封闭自扇冷鼠笼式隔爆型电动机,具有高效、节能、温升裕度大、寿命长、性能好、隔爆结构先进、可靠性高、使用维护方便等特点。
本系列电机的防爆性能符合GB3836.2-2000《爆炸性气体环境用电气设备 第2部分:隔爆型“d” 》和国际电工委员会标准IEC79-1规定分别制成隔爆型dI、dΙΙAT4、dΙΙBT4,适用于煤矿井下非采掘工作面及工厂具有ΙΙA、ΙΙB级温度组别T1~T4组的爆炸性气体混合物存在的危险场所。
YB系列电机主体外壳防护等级未IP44及IP54。
YB2系列主体外壳防护等级为IP55。本系列电机冷却方式为IC411。

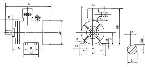
B3结构 机座带底脚,端盖无凸缘

B5型结构 机座不带底脚,端盖有凸缘

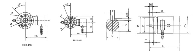
安装方式及外形图
